EV510A-XX-T4/QZ系列起重专用变频器应用案例
发布时间:2025-07-18
一、 应用要求
单梁行车,一般使用锥形电机,自带抱闸,低频时由于电压低会出现抱闸无法打开或者溜钩现象,因此对变频器低频带载能力要求比较高。双梁行车,外接抱闸信号,在松抱闸频率要求比较低时,也对变频器低频带载能力有要求。同时双梁起重由变频器控制板发出松抱闸信号,因此,松抱闸信号的时序逻辑要求正确可靠,在出现任何意外情况如变频器故障,电源电压降低,电机、变频器过载等时都能够及时抱闸。行车需要多段速运行,要求变频器有足够多的控制端子。

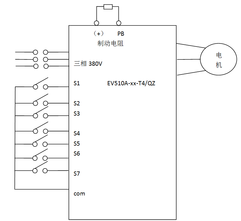
二、 现场应用

三、调试指南

调试说明:
1、提升默认SVC模式
2、端子指令,多段速控制,每段具体根据客户需求设置
3、双梁外加抱闸信号时继电器输出功能选择43
4、松闸如果有溜钩现象,可以适当调高松闸频率,并加一些励磁时间如0.5秒
5、在负载较重时,抱闸如果有溜钩现象,可以适当调高抱闸频率,使电机在有足够力矩的情况下抱闸
6、使能过载保护时,如果过载运行超过过载时间,则进入过载保护,过载保护状态下,只能下行运行,不可以提升运行
7、采用无感矢量控制,低频力矩较V/F控制大,但是无感矢量对电机参数依赖比V/F强,因此,采用无感矢量时最好先进行自学习。在某些特殊场合,如果采用无感矢量容易报过流限流故障,可尝试采用V/F控制。