一个用变频器和触摸屏控制的恒压供水实例,值得一看!
一个常见的变频器和触摸屏控制的恒压供水实例:在供水设备中,水箱向外供水时,会存在水压不稳定,忽高忽低的现象。针对此类情况,我们可以对水箱的水位进行恒液位控制,构建一个恒压供水控制系统。例举一个常见的案例,图示如下:

当设定水箱水位值为150mm时,不论水箱的出水量为多少,通过调节进水量,能够实现水箱水位保持在150mm的位置。由于液位高度与水箱底部所受压力成正比,因此可用一个远传压力表来检测水箱底部压力大小,从而确定液位高度,并使用PID算法对水位进行自动调节。把远传压力表检测到的水位模拟量信号送入至变频器中,变频器对给定值与实际检测值的偏差进行PID运算,通过运算输出结果来调节水泵电机的转速,从而实现进水量的调节。
整套控制系统中,核心主要部件是变频器及触摸屏,选型如下:
1、变频器选型
欧陆EV510A系列变频器,常见功率段在5.5~30kw之间,用于接收远传压力表的模拟量输入信号以及调节水泵电机转速,进而调节进水量。
2、触摸屏
昆仑通态TPC7022

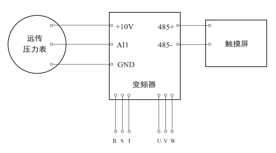
系统线路图及相关参数:
1、电路图
欧陆EV510A系列变频器,常见功率段在5.5~30kw之间,用于接收远传压力表的模拟量输入信号以及调节水泵电机转速,进而调节进水量。

2、变频器参数设置
EV510A变频器参数设置

触摸屏写入地址

触摸屏监控:

南京欧陆电气股份有限公司自主研发生产的变频器15年,在恒压供水行业已积累大量应用案例,EV510A系列变频器优化了PID控制算法,在恒压供水上控制性能更好,响应速度更快,更可靠的实现整个过程控制。此外,我们还针对不同行业定制专属机型,可满足不同行业不同客户的需求。想要了解更多行业应用案例,欢迎在评论区留言。